首页
品牌专区
非标自动化解决方案
新闻动态
资料下载
关于众联
联系我们
品牌名称:
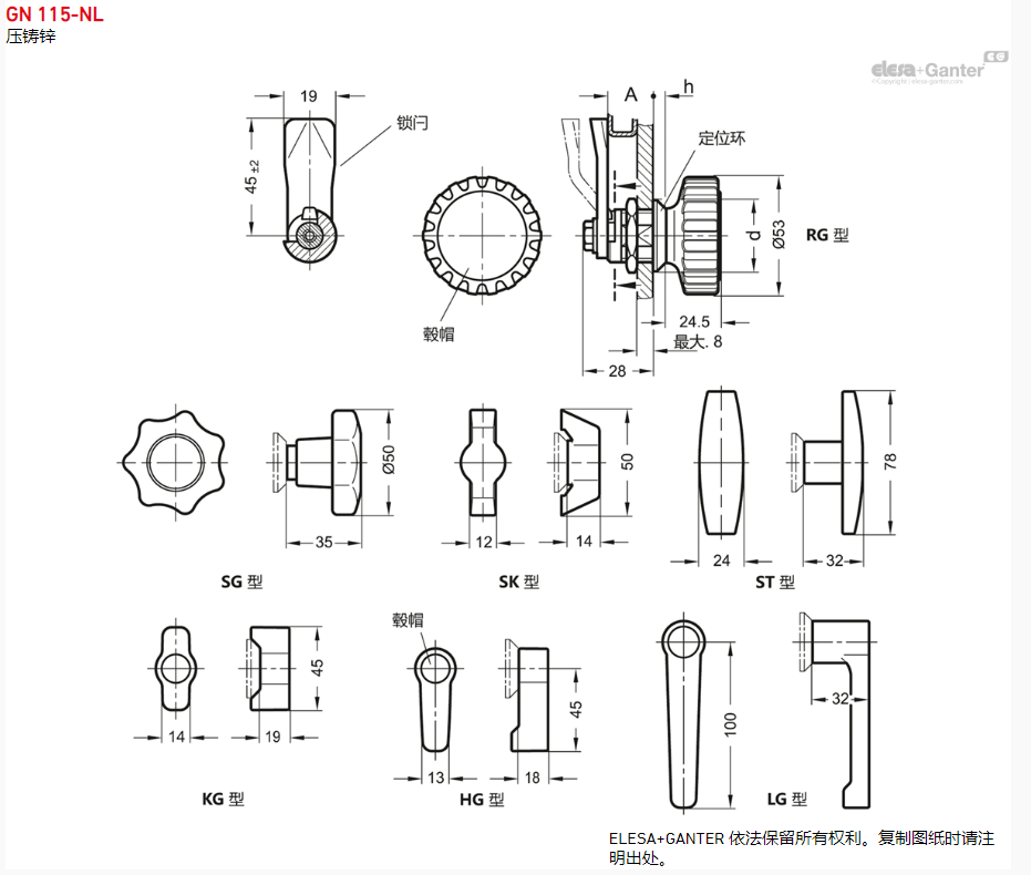
商品型号:GN 115-SG-4
产地:
单位:pcs