首页
品牌专区
非标自动化解决方案
新闻动态
资料下载
关于众联
联系我们
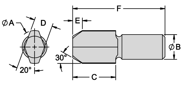
品牌名称:
商品型号:CL-4-DPX
产地:usa
单位:pcs